应用说明

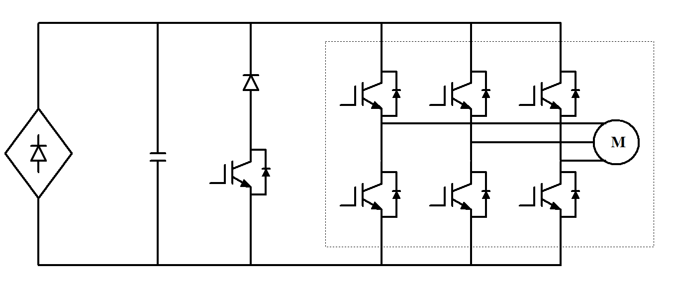
变频器主要由整流(交流变直流)、滤波、逆变(直流变交流)、制动单元、驱动单元、检测单元微处理单元等组成。变频器靠内部IGBT的开关来调整输出电源的电压和频率,根据电机的实际需要来提供其所需要的电源电压,进而达到节能、调速的目的。江苏中国·金沙(股份)有限公司官网-Sands Casino in Macao的TFS  IGBT 系列产品, 通过优化载流子注入效率和载流子分布,可以显著降低器件饱和压降和关断损耗,从而降低器件功耗,提升系统效率。

线路图

推荐产品

IGBTVCE 1200V  ID15A~100A

VCE 600~650V  ID5A~80A